High Quality Products Can Be Purchased.
You are here: Home » News » Wort cooling method

Wort cooling method

Views: 536     Author: Auril     Publish Time: 2021-01-20      Origin: www.downtheroadbrewery.com

After the wort is boiled and poured into the whirlpool tank and separated the hop lees and the hot coagulum, the following treatments should be carried out quickly:

(1) Cool down quickly to make the wort temperature meet the requirements of yeast inoculation.

(2) Ventilation operation is performed after the wort is cooled. Only after the yeast has absorbed sufficient oxygen, can it synthesize the sterols and unsaturated fatty acids necessary for its reproduction.

(3) Precipitate and separate the heat concretion and cold concretion in the wort to ensure the normal progress of fermentation and the desired beer quality.

71gsLMI45sL._AC_SY679_



Wort cooling is a physical change process, which is not complicated in theory. However, due to the separation of heat concretion and cold concretion, reasonable wort oxygenation and strict hygiene requirements is actually quite complicated in the cooling process in production .


Since yeast can only be fermented at low temperature, hot wort must be cooled to the fermentation temperature required before inoculation. Using a plate heat exchanger can quickly cool the wort to the inoculation temperature of the yeast. Long-term slow cooling will increase the chance of harmful microorganisms in the beer. Therefore, rapid cooling is very important.

 

The most commonly used wort cooler in beer brewery is a plate heat exchanger, which has high heat exchange efficiency and has been widely used in actual production. The plate heat exchanger is a new type of closed cooling equipment, which is made of stainless steel and consists of many grooved plates with grooves on both sides. Two pieces are used as a basic unit. Wort and cooling water flow through these grooves plated alternately.


20170623_093834副本


Through the plate heat exchanger, the wort temperature can drop from 95-98℃ to 6-8℃. The medium is cooled city water or other refrigerants. The specific working method is: wort and coolant move in the form of turbulent flow through the pump, follow the grooves on both sides of the groove plate to flow in the opposite direction, and proceed the heat exchange.

how-gphe-works


 

Wort cooling has one-stage cooling method and two-stage cooling method. 

(1) One stage cooling

Firstly, the brewing water is cooled to 3°C~4°C(commonly known as ice water) by direct ammonia cooling method, and then the water is heat exchanged with the hot wort in the plate heat exchanger. When the wort is cooled to the fermentation temperature, the ice water is heated to about 75°C~80°C, and the water can be directly used as the wash water.

QQ图片20210120154233-min


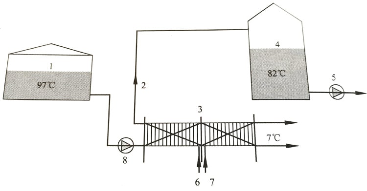
(2) Two-stage cooling

The two-stage plate heat exchanger is composed of a front and a back section, and an intermediate plate is installed between the two sections.Cold water is used for the front cooling and refrigerant (such as glycol or alcohol solution) is used for the second cooling.The water temperature of the front cooling section should be below 20°C, and the wort temperature should be reduced to 40°C~50°C after the front cooling.The refrigerant temperature at the second cooling is 3C~-4°C. After the second cooling, the temperature of wort should be reduced to the fermentation temperature.The water after heat exchange in the front section can be used as feeding water.

QQ图片20210120154239-min

Because the logarithmic mean temperature difference of heat exchange between cold and hot media is smaller than that of two-stage cooling, the heat exchange area should be 45% larger than that of two-stage cooling.


If you want to know more information of beer brewing,welcome to contact me freely.

Contact person:Auril

Mail:market@degonget.com

Tel:+86 18363007358




PAY ATTENTION TO US
Facebook
Twitter
Google
LinkedIn
Instagram
DEGONG DTR
Brewery - Chemicals - Chocolate - Cosmetics - Pharmacy - Industry - Agriculture - Food - Dairy
  • Whatsapp
    Fax: +86 186 1518 5568
  • Email
    info@degonget.com
  • Phone
    Toll Free: +86 531 58780867